A través de este recurso podrás conocer el método de reducción de circuitos y la ley del Ohm, utilizados en el análisis básico de circuitos eléctricos.

Estrategia

 

 

 

Medidas de fuerza y masa, desplazamiento rotacional, electromagnetismo y otros

Reducción de circuitos y ley de Ohm

 

La reducción de circuitos eléctricos es un método utilizado para el análisis de arreglos de elementos conectados en serie, paralelo o mixto. El método consiste en aplicar una formula para arreglos en serie o paralelo o un procedimiento paso a paso para arreglos mixtos, con el fin de obtener una representación equivalente del circuito original, pero en una forma simple, simplificada y reducida.

 

Las formulas de reducción de circuitos eléctricos, se muestran a continuación:

1. Para circuitos en serie, se tiene:

En general:

Por ejemplo, para el siguiente circuito en serie.

 

1 2 3

 

donde:

2. Para circuitos en paralelo, se tiene:

En general:

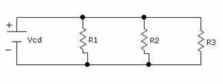
Por ejemplo, para el siguiente circuito paralelo.

1 2 2

 

3. Para circuitos mixtos, se tiene:

La reducción total de un circuito mixto no se hace en un solo paso, aplicando una sola ecuación, más la reducción se hace paso a paso haciendo reducciones parciales en serie o paralelo según corresponde hasta llegar a RT.

Por ejemplo, para el siguiente circuito mixto.

1 2 2

donde:

2o. Paso:

2

donde:

3er. Paso:

2

donde:

La ley Ohm comprende dos ecuaciones matemáticas que muestran la relación que guardan los principales variables que intervienen en el análisis de circuitos eléctricos. Estas variables son: voltaje (v), corriente (I), resistencia (R) y potencia (w).

Las ecuaciones de la ley de Ohm son:

Las unidades del voltaje son los volts (v), de la corriente son los amperes (A), de la resistencia los (W) y de la potencia eléctrica los watts (w).